IL12132

Pulsante


  • Codice Omologazione

    APEM 1200 - APEM 1200MR

  • Confezione di vendita

    40 pz

  • Contatti

    Rame stagnato

  • Corrente/Tensione

    2 A -250 V / 3 A - 125 V * 2 A -24 Vdc / 3 A - 12 Vdc

  • Materiale corpo

    Polyamide

  • N° cicli

    10.000

  • Pulsante

    Polyamide

  • Temperatura

    -20°C +55°C

  • Commerciale di riferimento

    Renato Brambilla

Omega Fusibili si riserva il diritto di cambiare o aggiornare le informazioni tecniche contenute all'interno di questa scheda senza comunicazione.
Le immagini sono puramente indicative.

codice
Circuito
Colore
IL12122NCNero
IL12123NCVerde
IL12126NCRosso
IL1212MRCNCCromato
IL12132NANero
IL12133NAVerde
IL12136NARosso
IL1213MRCNACromato
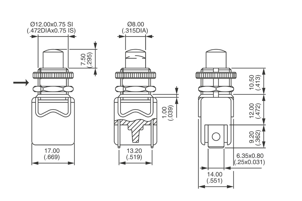
Disegni